Home electron Tube Data sheets Back
Frank's Electron tube Pages  
Frank's electron Tube Data sheets PM5540  

Manual (59,885,825 bytes)

Screen captures
My PM5540 is not 100%.
There is probably some 50Hz on the internal DC supply voltages.
It shows mainly in the Definition Lines and in Grey areas.
Complete Pattern
Crossed Lines
Black-White Steps
Definition Lines
Saw Tooth
Vertical Bars
BlankPattern.jpg

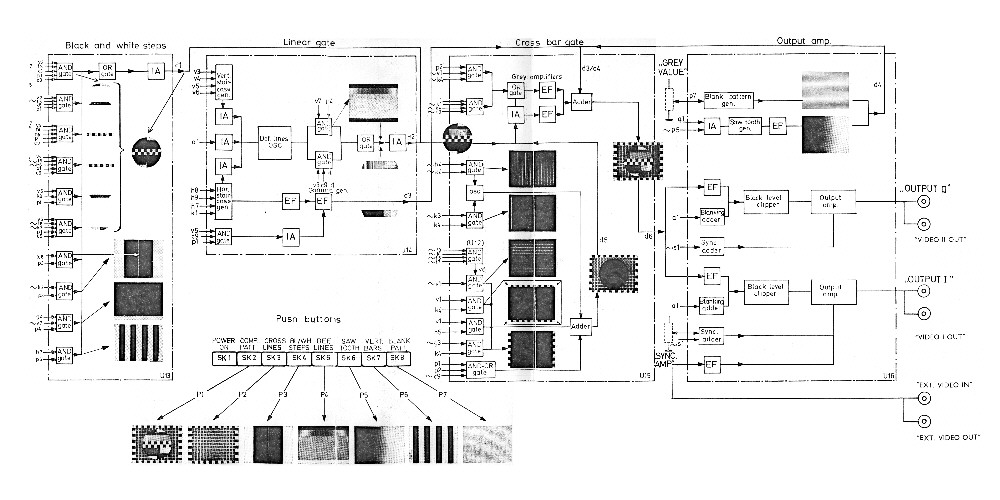
Block Diagram
17 - The input amplifiers
16 - The output amplifiers
15 - The cross-bar gate
14 - The linear gate
13 - The black and white steps
12 - The vertical divider
11 - The vertical decoder
10 - The horizontal divider
9 - The horizontal decoder
8 - The interval decoder
7 - The line selector register
6 - The line decoder
5 - The memory
4 - The circle register
3 - The circle register